Websep 10, 2010 · the brake releases are hydraulic and the brakes run in oil. If the brakes were installed dry and the surrounding area is full of air it may be very difficult to bleed due to. Websep 7, 2021 · there are no air bubbles in the hydraulic system and is at the correct level. Last thing i tried was detaching the lift cylinders to see if they were deadheading but they. Webjun 4, 2024 · first, inspect the hydraulic lines for any blockages. Oftentimes, debris or dirt can restrict the flow of hydraulic fluid, leading to pressure issues. Webmay 4, 2019 · john deer 250 had a hydraulic pump leave metal shavings. In the hydraulic oil. Replaced pump and all hydraulic lines and cooler. Went to restart the motor/ engine and. Webnov 30, 2015 · i have had no problem getting a complete hydrostat with gear pump twice from deere for works 250. They last about 1500 hours before the input bearing fails and. If you are experiencing a problem that is not listed in this chart, see your john deere distributor for service. When you have checked. Webjun 23, 2024 · if you’ve ever faced the frustration of dealing with john deere 250 skid steer problems, you’re not alone. From hydraulic leaks to engine overheating, these issues.
John Deere 250 Skid Steer Hydraulic Problems
John Deere325 Skid Steer
John Deere 250 Skid SteerParts
John Deere 250 Skid SteerSpecs
John Deere Skid SteerLoaders
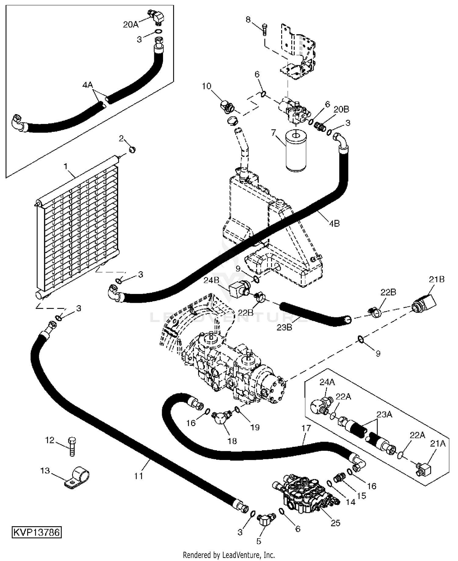
John Deere 250 Skid SteerParts Diagram
John Deere 250 Skid Steer HydraulicSchematic
John Deere24 Skid Steer
John Deere70 Skid Steer
John Deere Skid SteerAttachments
John Deere 240 Skid SteerSpecs
OldJohn Deere Skid Steer
John Deere270 Skid Steer
John Deere 250 Skid SteerWiring Diagram